Exercise: Msi Logic Circuits

Questions for: Msi Logic Circuits

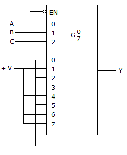
The diagram given below shows a ________ being used as a(n) ________ and Y = ________.

A:
multiplier, divider, 2.25
B:
multiplexer, encoder, 7641
C:
multiplexer, logic function generator, ABC + ABC + ABC + ABC
D:
logic function generator, multiplexer, 1467
Answer: C
No answer description is available. Let's discuss.

For the inputs shown in the given figure, the output is ________.

A:
1
B:
C:
D:
Answer: B
No answer description is available. Let's discuss.
A decimal-to-BCD encoder has ________ data inputs.
A:
two
B:
four
C:
five
D:
ten
Answer: D
No answer description is available. Let's discuss.
The binary value of the BCD number 1000 0001 (81) is ________.
A:
0101 0001
B:
0110 0011
C:
0100 0001
D:
1000 0000
Answer: A
No answer description is available. Let's discuss.
An everyday illustration of a multiplexer is ________.
A:
the volume control in a stereo receiver
B:
the function switch on a stereo receiver
C:
the balance control on a stereo receiver
D:
the treble-bass control on a stereo receiver
Answer: B
No answer description is available. Let's discuss.
Ad Slot (Above Pagination)
Quiz