Exercise: Msi Logic Circuits

Questions for: Msi Logic Circuits

In order to select data input I5 of a 74151 eight-line multiplexer, the select inputs must be ________.
A:
B:
C:
D:
Answer: A
No answer description is available. Let's discuss.
An eight-line multiplexer must have as inputs ________.
A:
four data inputs and three select inputs
B:
eight data inputs and two select inputs
C:
eight data inputs and three select inputs
D:
eight data inputs and four select inputs
Answer: C
No answer description is available. Let's discuss.
The normal outputs of a magnitude comparator are ________.
A:
A < B, A = B, and A > B
B:
Sum, difference, and carry
C:
Cin, Cout, and Sum
D:
A = B, A + B, and carry
Answer: A
No answer description is available. Let's discuss.

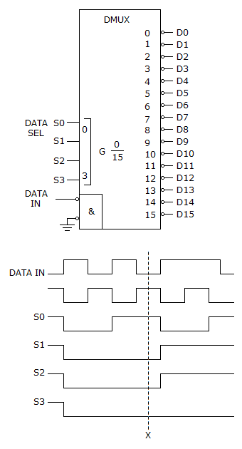
The device shown in below is a ________ and for the waveforms shown in the accompanying diagram, the ________ output at point X will be ________ and all others will be ________.

A:
multiplexer, D4, HIGH, LOW
B:
demultiplexer, D3, LOW, HIGH
C:
demultiplexer, D3, HIGH, LOW
D:
decoder, D12, LOW, LOW
Answer: B
No answer description is available. Let's discuss.
A(n) ________ has a number of input lines, only one of which is activated at a given time, and produces on N-bit output code, depending on which input is activated.
A:
encoder
B:
code converter
C:
demultiplexer
D:
decoder
Answer: A
No answer description is available. Let's discuss.
Ad Slot (Above Pagination)
Quiz