Questions for: Msi Logic Circuits
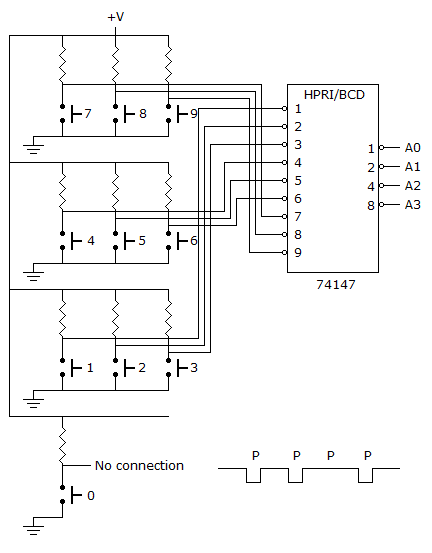
Refer to the keyboard encoder in figure (a). Sometimes when the 5 key is pressed, the system attached to the keypad does not respond. The 5 input on the 74147 is monitored with a digital storage scope while repeatedly pressing the 5 key, and the waveform in figure (b) is obtained; the P above the trace indicates the points at which the technician pressed the key. What is most likely wrong with the circuit?

Refer to the figure given below. The logic function generator being implemented with the multiplexer in this circuit produces a constant LOW on the output. The ABC inputs are checked and appear to be pulsing; also, the 0–7 and EN inputs are checked with the scope and all appear to be at 0 V. A check with the DMM confirms that power is on. What is the problem, and what should be done to correct it?

Discuss About this Question.
Discuss About this Question.
Discuss About this Question.
Discuss About this Question.