Questions for: Msi Logic Circuits
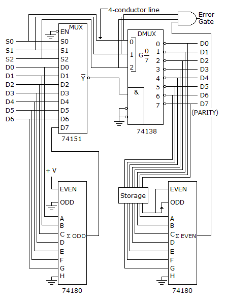
The data transmission system shown in below has a problem; the parity error output is always high. A logic analyzer is used to examine the system and shows that the DATA IN on the left matches the DATA OUT on right. What might be causing the problem?

Discuss About this Question.
Which statement best describes the given figure, and what is the function of the terminal labeled EN?

Discuss About this Question.
It is suspected that the comparator in the figure given below has a problem. The inputs are activated in the table shown below and the corresponding outputs noted. What is most likely wrong with the circuit?
For P0 – P3 = 1 and Q0 – Q3 = 0, P > Q = 1, P = Q = 1, P < Q = 0
For P0 – P3 = 0 and Q0 – Q3 = 1, P > Q = 0, P = Q = 1, P < Q = 1
For P0 – P3 = 1 and Q0 – Q3 = 1, P > Q = 0, P = Q = 1, P < Q = 0

Discuss About this Question.
For the input values (A0–A3, B0–B3, Data Select = 1) given for the circuit given below, what will be indicated on the displays?

Discuss About this Question.
Discuss About this Question.