Exercise: Msi Logic Circuits

Questions for: Msi Logic Circuits

Determine the correct output for the multiplexer and its associated timing diagram given below.

A:
Ya
B:
Yb
C:
Yc
D:
Yd
Answer: D
No answer description is available. Let's discuss.
What are the outputs of a 7485 four-bit magnitude comparator when the inputs are A = 1001 and B = 1010?
A:
A < B is 1
A = B is 0
A > B is 1
B:
A < B is 0
A = B is 1
A > B is 0
C:
A < B is 0
A = B is 0
A > B is 1
D:
A < B is 1
A = B is 0
A > B is 0
Answer: D
No answer description is available. Let's discuss.

What type of device is shown in the given figure, and what inputs (A3,A2,A1,A0) are required to produce the output levels as shown?

A:
A binary-to-decimal encoder; 0,1,1,1
B:
A decimal-to-binary decoder; 1,1,1,0
C:
A BCD-to-decimal decoder; 0,1,1,1
D:
A decimal-to-BCD encoder; 1,1,1,0
Answer: C
No answer description is available. Let's discuss.

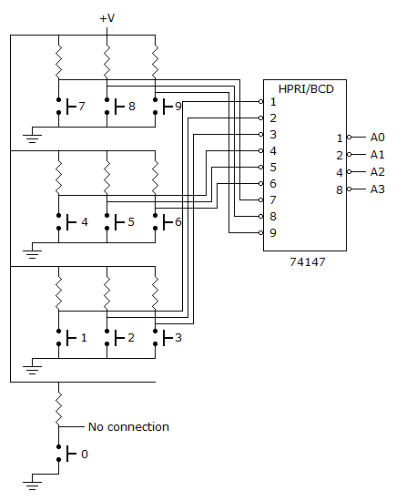
Referring to the figure given below, what output code will appear on the output (A3,A2,A1,A0) when the 5 key is pressed?

A:
1010
B:
0101
C:
1101
D:
1011
Answer: A
No answer description is available. Let's discuss.
Multiplexing of digital signals is usually required when:
A:
moving data internally within a microprocessor.
B:
moving data between memory and storage registers in a microprocessor.
C:
moving data over long distance transmission lines.
D:
moving data internally within a microprocessor or between memory and storage registers.
Answer: C
No answer description is available. Let's discuss.
Ad Slot (Above Pagination)
Quiz