Exercise: Counters

Questions for: Counters

Assume you want to determine the timing diagram for a 4-bit counter using an oscilloscope. The best choice for an oscilloscope trigger signal is ________.
A:
the most significant bit (MSB)
B:
the least significant bit (LSB)
C:
the clock signal
D:
from a composite of the MSB and LSB
Answer: C
No answer description is available. Let's discuss.
A(n) ________ one-shot starts a pulse in response to a trigger and will restart the internal pulse timer every time a subsequent trigger edge occurs before the pulse is complete.
A:
non-retriggerable
B:
retriggerable
C:
high-level triggered
D:
edge-triggered
Answer: B
No answer description is available. Let's discuss.

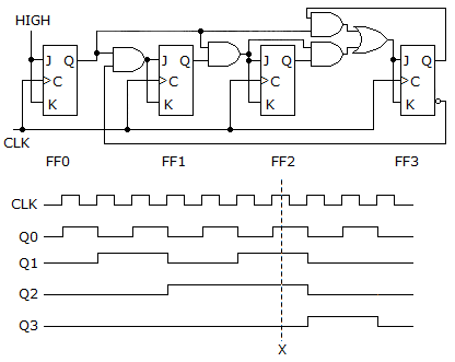
The circuit shown below is a ________.

A:
Johnson counter
B:
ring counter
C:
decade counter
D:
BCD counter
Answer: A
No answer description is available. Let's discuss.

The given circuit represents a(n) ________.

A:
four-bit binary counter
B:
asynchronous BCD decade counter
C:
synchronous BCD decade counter
D:
BCD-to-decimal decoder
Answer: C
No answer description is available. Let's discuss.
A D flip-flop can be made to toggle by ________.
A:
connecting to Q to D
B:
connecting to Q to D
C:
connecting D low
D:
connecting D high
Answer: A
No answer description is available. Let's discuss.
Ad Slot (Above Pagination)
Quiz