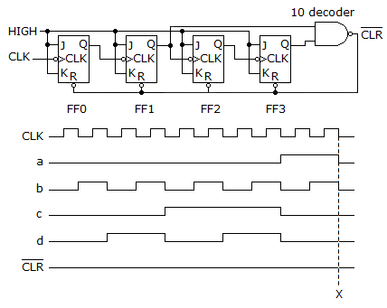
The given circuit is a(n) ________.
Discuss About this Question.
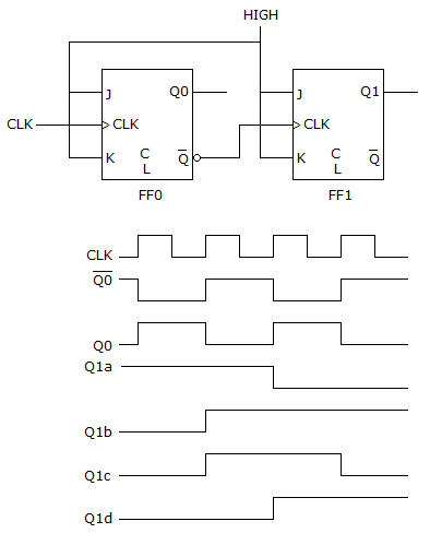
The counter circuit and associated waveforms shown below are for a(n) ________ counter, and the correct output waveform for QB is shown by waveform ________.
To install on iPhone/iPad: tap Share → Add to Home Screen.
Discuss About this Question.