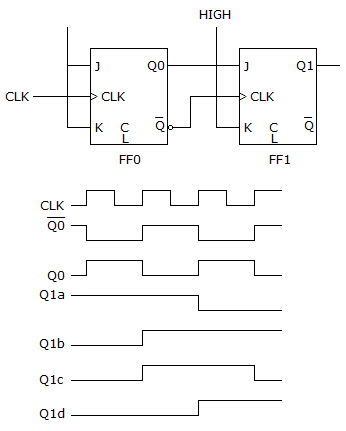
The circuit given below has no output on Q1 when examined with an oscilloscope. All J-K inputs are HIGH, the CLK signal is present, and the Q0 is toggling. The C input of FF1 is a constant LOW. What could be causing the problem?

A:
The Q0 output should be connected to the J input of FF1.
B:
The output of FF0 may be shorted to ground.
C:
The input of FF1 may be shorted to ground.
D:
Either the output of FF0 or the input of FF1 may be shorted to ground.
Discuss About this Question.