Exercise: Counters
Questions for: Counters
One of the major drawbacks to the use of asynchronous counters is:
A:
low-frequency applications are limited because of internal propagation delays
B:
high-frequency applications are limited because of internal propagation delays
C:
asynchronous counters do not have major drawbacks and are suitable for use in high- and low-frequency counting applications
D:
asynchronous counters do not have propagation delays and this limits their use in high-frequency applications
Answer: B
No answer description is available. Let's discuss.
Which of the following procedures could be used to check the parallel loading feature of a counter?
A:
Preset the LOAD inputs, set the CLR to its active level, and check to see that the Q outputs match the values preset into the LOAD inputs.
B:
Apply LOWs to the parallel DATA inputs, pulse the CLK input, and check for LOWs on all the Q outputs.
C:
Apply HIGHs to all the DATA inputs, pulse the CLK and CLR inputs, and check to be sure that the Q outputs are all LOW.
D:
Apply HIGHs to all the Q terminals, pulse the CLK, and check to see if the DATA terminals now match the Q outputs.
Answer: B
No answer description is available. Let's discuss.
Discuss About this Question.
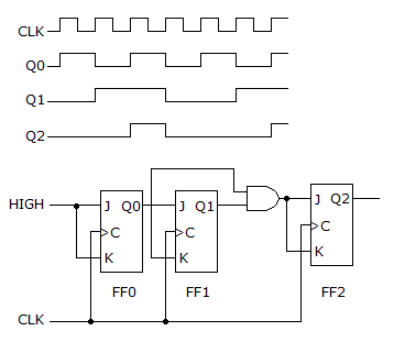
A four-channel scope is used to check the counter in the figure given below. Are the displayed waveforms correct?

A:
Yes
B:
No
C:
D:
Answer: B
No answer description is available. Let's discuss.
Discuss About this Question.
A 5-bit asynchronous binary counter is made up of five flip-flops, each with a 12 ns propagation delay. The total propagation delay (tp(tot)) is ________.
A:
12 ms
B:
24 ns
C:
48 ns
D:
60 ns
Answer: D
No answer description is available. Let's discuss.
Discuss About this Question.
How many different states does a 3-bit asynchronous counter have?
A:
2
B:
4
C:
8
D:
16
Answer: C
No answer description is available. Let's discuss.
Discuss About this Question.
Ad Slot (Above Pagination)
Discuss About this Question.