Exercise: Counters

Questions for: Counters

A ripple counter's speed is limited by the propagation delay of:
A:
each flip-flop
B:
all flip-flops and gates
C:
the flip-flops only with gates
D:
only circuit gates
Answer: A
No answer description is available. Let's discuss.
What is the difference between a 7490 and a 7493?
A:
7490 is a MOD-10, 7493 is a MOD-16
B:
7490 is a MOD-16, 7493 is a MOD-10
C:
7490 is a MOD-12, 7493 is a MOD-16
D:
7490 is a MOD-10, 7493 is a MOD-12
Answer: A
No answer description is available. Let's discuss.

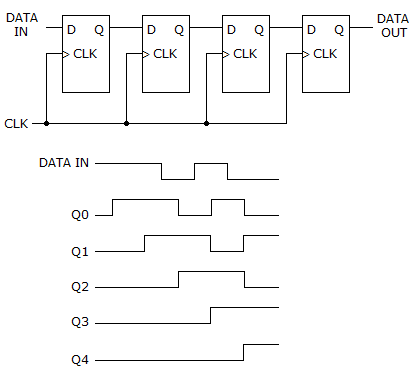
How many data bits can be stored in the register shown below?

A:
5
B:
32
C:
31
D:
4
Answer: A
No answer description is available. Let's discuss.
A counter with a modulus of 16 acts as a ________.
A:
divide-by-8 counter
B:
divide-by-16 counter
C:
divide-by-32 counter
D:
divide-by-64 counter
Answer: B
No answer description is available. Let's discuss.
Three cascaded decade counters will divide the input frequency by ________.
A:
10
B:
20
C:
100
D:
1,000
Answer: D
No answer description is available. Let's discuss.
Ad Slot (Above Pagination)
Quiz