Exercise: Counters
Questions for: Counters
The designation
means that the ________.
means that the ________.
A:
up count is active-HIGH, the down count is active-LOW
B:
up count is active-LOW, the down count is active-HIGH
C:
up and down counts are both active-LOW
D:
up and down counts are both active-HIGH
Answer: A
No answer description is available. Let's discuss.
A 22-MHz clock signal is put into a MOD-16 counter. What is the frequency of the Q output of each stage of the counter?
A:
Q1 = 22 MHz, Q2 = 11 MHz, Q3 = 5.5 MHz, Q4 = 2.75 MHz
B:
Q1 = 11 MHz, Q2 = 5.5 MHz, Q3 = 2.75 MHz, Q4 = 1.375 MHz
C:
Q1 = 11 MHz, Q2 = 11 MHz, Q3 = 11 MHz, Q4 = 11 MHz
D:
Q1 = 22 MHz, Q2 = 22 MHz, Q3 = 22 MHz, Q4 = 22 MHz
Answer: B
No answer description is available. Let's discuss.
Discuss About this Question.
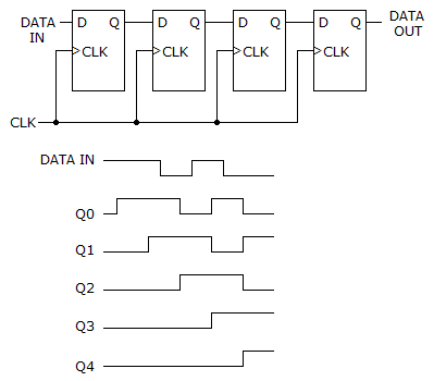
The circuit given below fails to produce data output. The individual flip-flops are checked with a logic probe and pulser, and each checks OK. What could be causing the problem?

A:
The data output line may be grounded.
B:
One of the clock input lines may be open.
C:
One of the interconnect lines between two stages may have a solder bridge to ground.
D:
One of the flip-flops may have a solder bridge between its input and Vcc.
Answer: B
No answer description is available. Let's discuss.
Discuss About this Question.
Which of the following groups of logic devices would be the minimum required for a MOD-64 synchronous counter?
A:
Five flip-flops, three AND gates
B:
Seven flip-flops, five AND gates
C:
Four flip-flops, ten AND gates
D:
Six flip-flops, four AND gates
Answer: D
No answer description is available. Let's discuss.
Discuss About this Question.
Which segments (by letter) of a seven-segment display need to be active in order to display a digit 6?
A:
b, c, d, e, f, and g
B:
a, c, d, e, f, and g
C:
a, b, c, d, and f
D:
b, c, d, e, and f
Answer: B
No answer description is available. Let's discuss.
Discuss About this Question.
Ad Slot (Above Pagination)
Discuss About this Question.