Questions for: Kinetics Of A Particle Work And Energy

The block has a weight of 1.5 lb and slides along the smooth chute AB. It is released from rest at A, which has coordinates of A(5 ft, 0, 10 ft). Determine the speed at which it slides off at B, which has coordinates of B(0, 8 ft, 0).

The firing mechanism of a pinball machine consists of a plunger P having a mass of 0.25 kg and a spring of stiffness k = 300 N/m. When s = 0, the spring is compressed 50 mm. If the arm is pulled back such that s = 100 mm and released, determine the speed of the 0.3 kg pinball B just before the plunger strikes the stop, i.e., s = 0. Assume all sufaces of contact to be smooth. The ball moves in the horizontal plane. Note that the ball slides without rolling.
Discuss About this Question.

When at A the bicyclist has a speed of vA = ft/s. If he coasts without pedaling from the top of the hill at A to the shore of B and then leaps off the shore, determine his speed at B and the distance x where he strikes the water at C. The rider and his bicycle have a total weight of 150 lb. Neglect the size of the bicycle and wind resistance.
Discuss About this Question.

A car having a mass of 2 Mg strikes a smooth, rigid sign post with an initial speed of 30 km/h. To stop the car, the front end horizontally deforms 0.2 m. If the car is free to roll during the collision, determine the average horizontal collision force causing the deformation.
Discuss About this Question.

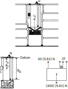
The elevator E and its freight have a total mass of 400 kg. Hoisting is provided by the motor M and the 60-kg block C. If the motor has an efficiency of e = 0.6, determine the power that must be supplied to the motor when the elevator is hoisted upward at a constant speed of vE = m/s.
Discuss About this Question.
Discuss About this Question.